Certyfikat SSL oraz płatności online zapewniają bezpieczeństwo zakupów.
Oferowane produkty są dostępne w naszym magazynie, dlatego szybko realizujemy wysyłkę.
Oferujemy darmową dostawę przy zakupach za minimum 99,99 zł.
Atest ITB Polska i SKG** Holandia
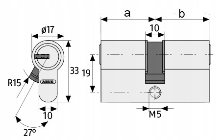
Wkładka ABUS D10 to wysokiej klasy precyzyjny mechanizm. Jest zabezpieczona wielostopniowo przed rozwierceniem. Wyposażona jest w wygodny, symetryczny klucz nawiercany z kartą kodową. Standardem wyposażenia tej wkładki jest bezpieczne sprzęgło.



1. Otwórz drzwi i przyłóż miarkę do środka śruby mocującej w szyldzie zamka
2. Odczytaj wymiary jakich potrzebujesz po obu stronach drzwi. Prawidłowo dobrana wkładka D10 nie powinna wystawać z szyldu więcej niż 2 mm.


Wkładki bębenkowe ABUS zostały już przetestowane przez miliony użytkowników na całym świecie. Są produkowane zgodnie z wymogami normy EN 1303. Oferta wkładek będących w ofercie firmy ABUS obejmuje wiele modeli od prostych wkładek podstawowych po te najbardziej technologicznie zaawansowane wkładki atestowane. Wkładki produkowane są w bardzo dużej ilości różnych rozmiarów i w różnych kolorach. Można je ujednolicać w system jednego klucza lub Master Key z innymi wkładkami, zamkami wierzchnimi, sztabami i kłódkami.
Opis
Specyficzne kody